产品快速通道
当前栏目名
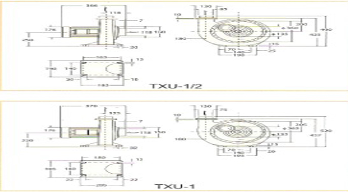
您当前的位置:boyu·博鱼最新买球网 > 产品中心 > 鼓风机展厅TXU透浦式鼓风机

- 产品参数:
- 产品型号: TXU透浦式鼓风机
- 额定功率:null
- 电压:null
- 风量:null
- 风压:null
- 转速/极数:null
- 安装方式:null
详细参数
TXU透浦式鼓风机 特点及优点:风量大、压力高、得量轻、寿命长、噪音低、无油无污染。
採用鋁合金材質,大幅降低重量,達到輕量化的目的。
• 馬達(马达采用IP55标准,绝缘等级采用F或H级,具3C、CE认证。)為I.E.C.設計(1HP以上),全閉外扇型鋁框馬達,特殊軸心設計, 可適合長時間使用。
• 特殊葉片設計(叶轮采用特殊平衡校正以低震动),壓力高、風量大、低噪音(采用特殊消音材质以降噪音)、壽命長。
• 特殊風量調節風門,風量控制穩定性高,操作容易(TX.TB.HTB適用)。
• 樣式種類(可据实际将风口可调整为三个方向:水平、水平反向、风口朝上)齊全、庫存多、交貨迅速。
若因不干胶标签印刷之UV固化设备专用呢,则风口均为朝上型 !








粤ICP备11012611号
