产品快速通道
当前栏目名
您当前的位置:boyu·博鱼最新买球网 > 产品中心 > 电机(马达)展厅群策立式三相普通马达

- 产品参数:
- 产品型号: HSL
- 额定功率:1/2HP-20HP
- 电压:380V.220V
- 转速/极数:4极.6极
- 安装方式:立式
详细参数
群策立式三相普通马达特性:电机是内轴式,可与相对应的泵直接相配,无需连轴器,从而减小安装空间,装配方便。电机的配合面加工精度高,和泵相配同轴相配,无需专业人士安装,连转平稳,噪音低、发热量小。选购指南:CT-011HP4P3JV系列编号功率代号参照功率表极数4P:4极(1450r/min)6P:6极(960r/min)相数3:三相1:单相安装形式J:卧式X:立式外壳形式V:铸铁W:铁皮功率表:功率代号(马力)1/4HP1/2HP1HP2HP3HP5HP71/2HP10HP15HP20HP25HP30HP40HP功率值(KW)0.1840.3680.7351.4702.2053.0755.5137.35011.02514.718.37522.05029.40 。 台湾群策 1HP 供应立式油压专用马达、油压电机。
台湾群策马达我公司专业代理台湾群策品牌系列的油压马达,其产品质量更居市场领先地位:
1:油压马达有内轴形式,可与叶片泵,齿轮泵,润滑泵等直接相配,紧密配合,无须联轴器。易装配,节省空间和成本 。
2:马达与泵的配合面加工精度高,与泵同轴相配,无须专业人士安装,运转平稳,噪音低,维修方便。
3:可保证系统:省电、小型化、低成本。4马力:1/4-20HP 4-6P5油压直结式马达 分卧式 立式 标准出轴式马达 分卧式 ,立式.卧式马达可参考:群策卧式三相普通电机。
品质稳定经久耐用,电机满载设计均高於标准值,轴心钢材经热处理高压耐磨寿命长。
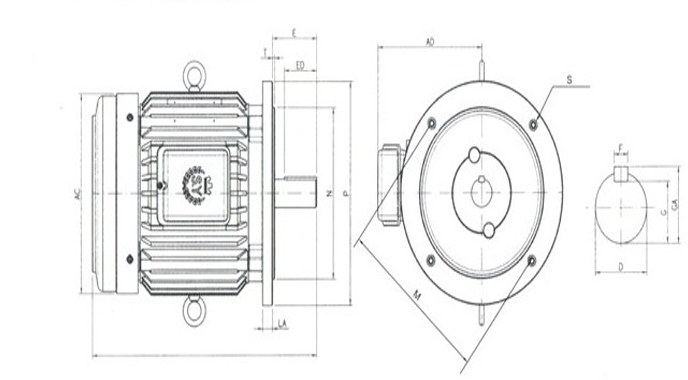
群策立式三相普通马达图纸及参数:






粤ICP备11012611号
